Overview
Chain Link is a universal connection fitting. The connection fittings are divided into special connection fittings and general connection fittings. The extension ring is a kind of universal connection fittings.
The special connection hardware is directly used to connect the insulator, so the structural size of the connection part is matched with the insulator, such as ball head hanging ring, bowl head hanging plate, etc.

Parameter
Chain Link is a universal connection fitting. The connection fittings are divided into special connection fittings and general connection fittings. The extension ring is a kind of universal connection fittings.
The special connection hardware is directly used to connect the insulator, so the structural size of the connection part is matched with the insulator, such as ball head hanging ring, bowl head hanging plate, etc.

Parameter
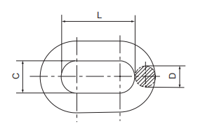
| Item No. | Dimension(mm) | Rated Failure load(kN) | Weight (Kg) | ||
| C | D | L | |||
| PH-7 | 20 | 16 | 80 | 70 | 0.4 |
| PH-10 | 22 | 18 | 100 | 100 | 0.6 |
| PH-12 | 24 | 20 | 120 | 120 | 0.9 |
| PH-16 | 26 | 22 | 140 | 160 | 1.5 |
| PH-20 | 30 | 24 | 160 | 200 | 1.6 |
| PH-25 | 34 | 26 | 160 | 250 | 2 |
| PH-30 | 38 | 30 | 180 | 300 | 3 |




