Overview
Clevis are mainly used in overhead power lines or substations to connect wires and lightning protection clamps with insulators or connect insulators and lightning protection clamps with poles and towers. According to different installation conditions, special connection fittings refer to the ball joints connected to the insulators. Hanging ring and bowl head hanging board.
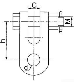
Clevises (Type Z)
The color pin is stainless steel, the other parts are hot-dip galvanized steel.
The cotter pin is stainless steel, the other parts are hot-dip galvanized steel.

Clevis Tongues (Type ZS)
The Colerain is stainless steel, the other parts are hot-dip galvanized steel.

Double Straps (Type P)
The cotter pin is stainless steel, the other parts are hot-dip galvanized steel.

Clevises (Type PS)
The collar pin is stainless steel, the other parts are hot-dip galvanized steel.

Clevis Hinges (Type UB)
The cotter pin is stainless steel, the other parts are hot-dip galvanized steel.
The cotter pin is stainless steel, the other parts are hot-dip galvanized steel.
Clevis Eyes (Type V&VD)
The cotter pin is stainless steel, the other parts are hot-dip galvanized steel.

Clevis Hings (Type GD)
The cotter pins are bronze, the other parts are hot-dip galvanized steel.
Tower-connecting Hinges (Type LT&EB)
The cotter pin is stainless steel, the other parts are hot-dip galvanized steel.
Clevis are mainly used in overhead power lines or substations to connect wires and lightning protection clamps with insulators or connect insulators and lightning protection clamps with poles and towers. According to different installation conditions, special connection fittings refer to the ball joints connected to the insulators. Hanging ring and bowl head hanging board.
Clevises (Type Z)
The color pin is stainless steel, the other parts are hot-dip galvanized steel.
| Catalog No. | Dimensions(mm) | Rated Failure Load (kN) | Weight(kg) | |||
| Ci | C2 | M | h | |||
| Z-7 | 18 | 18 | 16 | 60 | 70 | 0.6 |
| Z-7B | 20 | 18 | 16 | 80 | 70 | 0.7 |
| Z-10 | 20 | 20 | 18 | 70 | 100 | 0.8 |
| Z-10B | 20 | 20 | 18 | 80 | 100 | 0.9 |
| Z-12 | 24 | 24 | 22 | 80 | 120 | 1.3 |
| Z-16 | 26 | 26 | 24 | 90 | 160 | 2.5 |
| Z-16Cl | 26 | 26 | 24 | 140 | 160 | 3.2 |
| Z-16C2 | 26 | 26 | 24 | 170 | 160 | 3.8 |
| Z-20 | 30 | 30 | 27 | 120 | 160 | 3.5 |
| Z-25 | 34 | 34 | 30 | 110 | 250 | 3.8 |

| Catalog No. | Dimensions(mm) | Rated Failure Load (kN) | Weight(kg) | |||
| C | R | M | h | |||
| Zj-25 | 34 | 40 | 30 | 100 | 250 | 2.8 |
| Z-30 | 38 | 46 | 36 | 135 | 300 | 5.4 |
| Z-40 | 42 | 50 | 36 | 150 | 400 | 8.6 |
| Z-60 | 50 | 62 | 48 | 180 | 600 | 19.6 |
Clevis Tongues (Type ZS)
The Colerain is stainless steel, the other parts are hot-dip galvanized steel.

| Catalog No. | Dimensions(mm) | Rated Failure Load(kN) | Weight(kg) | ||||
| C | b | M | d | h | |||
| ZS-7 | 18 | 16 | 16 | 20 | 60 | 70 | 0.6 |
| ZS-10 | 20 | 18 | 18 | 20 | 70 | 100 | 0.9 |
| ZS-16 | 26 | 26 | 24 | 26 | 90 | 160 | 1.9 |
| ZS-30 | 38 | 34 | 36 | 39 | 150 | 300 | 5.4 |
| ZS-665 | 20 | 22 | 16 | 20 | 65 | 70 | 0.7 |
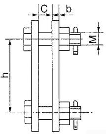
Double Straps (Type P)
The cotter pin is stainless steel, the other parts are hot-dip galvanized steel.

| Catalog No. | Dimensions(mm) | Rated Failure Load (kN) | Weight(kg) | |||
| b | C | M | h | |||
| P-7 | 6 | 18 | 16 | 60 | 70 | 0.6 |
| P-10 | 8 | 20 | 18 | 70 | 100 | 0.9 |
| p-12 | 10 | 24 | 22 | 80 | 120 | 1.5 |
| P-16 | 12 | 26 | 24 | 90 | 160 | 2.4 |
| P-20 | 14 | 30 | 27 | 120 | 200 | 4.1 |
| P-2018 | 14 | 30 | 27 | 180 | 200 | 5.1 |
| P-2024 | 14 | 30 | 27 | 240 | 200 | 6 |
| P-2030 | 14 | 30 | 27 | 300 | 200 | 6.9 |
| P-2036 | 14 | 30 | 27 | 360 | 200 | 7.8 |
| P-2042 | 14 | 30 | 27 | 420 | 200 | 8.7 |
| P-2048 | 14 | 30 | 27 | 480 | 200 | 9.7 |
| P-2054 | 14 | 30 | 27 | 540 | 200 | 10.6 |
| P-30 | 16 | 38 | 36 | 120 | 300 | 4.7 |
| P-3018 | 16 | 38 | 36 | 180 | 300 | 6.1 |
| P-3024 | 16 | 38 | 36 | 240 | 300 | 7.3 |
| P-3030 | 16 | 38 | 36 | 300 | 300 | 8.4 |
| P-3036 | 16 | 38 | 36 | 360 | 300 | 9.1 |
| P-3042 | 16 | 38 | 36 | 420 | 300 | 10.9 |
| P-3048 | 16 | 38 | 36 | 480 | 300 | 12.3 |
| P-3054 | 16 | 38 | 36 | 540 | 300 | 13.3 |
| P-5012 | 18 | 44 | 42 | 120 | 500 | 10.7 |
| P-5018 | 18 | 44 | 42 | 180 | 500 | 11.2 |
| P-5020 | 18 | 44 | 42 | 200 | 500 | 11.8 |
| P-5024 | 18 | 44 | 42 | 240 | 500 | 12.2 |
| P-5026 | 18 | 44 | 42 | 260 | 500 | 12.6 |
| P-5030 | 18 | 44 | 42 | 300 | 500 | 13 |
| P-5036 | 18 | 44 | 42 | 360 | 500 | 13.5 |
| P-5042 | 18 | 44 | 42 | 420 | 500 | 14 |
| p-5048 | 18 | 44 | 42 | 480 | 500 | 14.6 |
| P-5054 | 18 | 44 | 42 | 540 | 500 | 15.2 |
| P-60135 | 22 | 50 | 48 | 135 | 600 | 16.6 |
The collar pin is stainless steel, the other parts are hot-dip galvanized steel.

| Catalog No. | Dimensions(mm) | Rated Failure Load(kN) | Weight(kg) | ||||
| C | b | M | d | h | |||
| PS-7 | 18 | 16 | 16 | 20 | 90 | 69 | 0.6 |
| PS-30 | 38 | 32 | 36 | 39 | 150 | 294 | 5.9 |
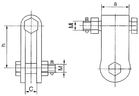
Clevis Hinges (Type UB)
The cotter pin is stainless steel, the other parts are hot-dip galvanized steel.
| Catalog No. | Dimensions (mm) | Rated Failure Load(kN) | Weight(kg) | |||
| C | M | h | a | |||
| UB-7 | 18 | 16 | 70 | 45 | 70 | 0.8 |
| UB-10 | 20 | 18 | 80 | 45 | 100 | 1.1 |
| UB-12 | 24 | 22 | 100 | 60 | 120 | 2.8 |
| UB-16 | 26 | 24 | 100 | 60 | 160 | 2.9 |
| UB-16G | 24 | 20 | 90 | 48 | 160 | 2.9 |
| UB-20 | 30 | 27 | 120 | 72 | 200 | 3.6 |
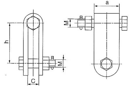
The cotter pin is stainless steel, the other parts are hot-dip galvanized steel.
| Catalog No. | Dimensions (mm) | Raled Failure Load(kN) | Weight(kg) | |||
| C | M | h | a | |||
| UB-6-1 | 20 | 16 | 65 | 30 | 60 | 0.8 |
| UB-9.1 | 26 | 18 | 75 | 40 | 90 | 0.8 |
| UB-20T | 30 | 27 | 120 | 60 | 200 | 2.5 |
| UB-30T | 36 | 36 | 150 | 60 | 300 | 3.7 |
Clevis Eyes (Type V&VD)
The cotter pin is stainless steel, the other parts are hot-dip galvanized steel.

| Catalog No. | Dimensions(mm) | Rated Failure Load(kN) | Weight(kg) | ||||
| d | M | b | H | a | |||
| V-7 | 18 | 20 | 40 | 75 | 60° | 70 | 1.8 |
| VD-7 | 18 | 20 | 28 | 75 | 60° | 70 | 1.4 |
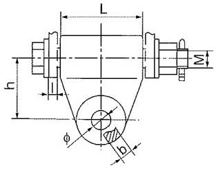
Clevis Hings (Type GD)
The cotter pins are bronze, the other parts are hot-dip galvanized steel.
| Catalog No. | Dimensions (mm) | Rated Failure Load(KN) | Weight(Kg) | |||||||
| L | φ | M | H | B | h | hl | ||||
| GD-12S | 250 | 112 | 24 | 22 | 12 | 16 | 40 | 35 | 120 | 1.7 |
| GD-21S | 250 | 112 | 26 | 24 | 12 | 20 | 40 | 35 | 210 | 2.1 |
| GD-32S | 258 | 112 | 33 | 30 | 12 | 28 | 40 | 36 | 320 | 3.6 |
| GD-42S | 278 | 130 | 39 | 36 | 12 | 32 | 45 | 36 | 420 | 4.2 |
| GD-50S | 278 | 130 | 39 | 36 | 12 | 32 | 48 | 50 | 500 | 4.6 |
| GD-12 | 240 | 112 | 24 | 22 | 30 | 18 | 30 | 35 | 120 | 1.35 |
| GD-21 | 235 | 112 | 30 | 24 | 8 | 22 | 35 | 35 | 210 | 1.8 |
| GD-30 | 264 | 112 | 33 | 30 | 12 | 30 | 46.5 | 35 | 300 | 3.3 |
| GD-50 | 264 | 112 | 44 | 36 | 12 | 34 | 50 | 40 | 500 | 6 |
| GD-60 | 290 | 112 | 50 | 42 | 16 | 42 | 50 | 46 | 600 | 6.5 |
Tower-connecting Hinges (Type LT&EB)
The cotter pin is stainless steel, the other parts are hot-dip galvanized steel.
| Catalog No. | Dimensions(mm) | Rated Failure Load(kN) | Weight(kg) | |||||
| b | ① | h | M | L | ||||
| LT-16 | 18 | 26 | 100 | 24 | 80 | 20 | 160 | 3.5 |
| LT-30 | 32 | 39 | 100 | 36 | 80 | 25 | 300 | 6.8 |
| EB-50D | 34 | 39 | 125 | 36 | 116 | 25 | 500 | 13 |
| EB-70 | 38 | 45 | 125 | 42 | 136 | 26 | 700 | 14.4 |
| EB-70A | 38 | 45 | 150 | 64 | 195 | 30 | 700 | 29.9 |
| EB-70B | 42 | 51 | 150 | 64 | 195 | 30 | 700 | 29.7 |
| BB-70C | 38 | 45 | 125 | 42 | 116 | 28 | 700 | 13.3 |




