Overview
The vibration damper makes use of rotation and swing of the two-end hammerheads for generating friction-damping force from the mutual slippage among the galvanized iron wire strands to consume the swung energy. It adopts a preformed rod structure in which the holding strength between the installation of vibration damper to preformed rods and the conductors evenly spread the distance from 30 to 60cm on the length area, effectively protecting the conductor by avoiding the stress concentration of the latter.

Parameter
The vibration damper makes use of rotation and swing of the two-end hammerheads for generating friction-damping force from the mutual slippage among the galvanized iron wire strands to consume the swung energy. It adopts a preformed rod structure in which the holding strength between the installation of vibration damper to preformed rods and the conductors evenly spread the distance from 30 to 60cm on the length area, effectively protecting the conductor by avoiding the stress concentration of the latter.

Parameter
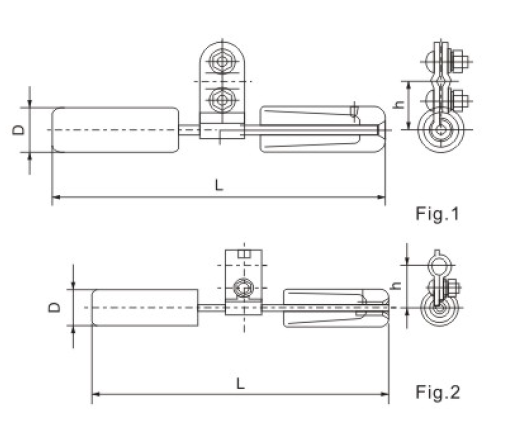
| Item No. | Conductor Section Area(mm2) | Fig No. | Dimensions(mm) | Weight (kg) | |||
| Steel Wire | AAC&ACSR | L | D | h | |||
| FD-1 | 30-50 | 2 | 300 | 40 | 40 | 1.5 | |
| FD-2 | 70-95 | 1 | 370 | 46 | 55 | 2.4 | |
| FD-3 | 120-150 | 1 | 450 | 56 | 65 | 4.5 | |
| FD-4 | 185-240 | 1 | 500 | 62 | 70 | 5.6 | |
| FD-5 | 300-400 | 1 | 550 | 67 | 70 | 7.2 | |
| FD-6 | 500-630 | 1 | 550 | 70 | 75 | 8.6 | |
| FG-35 | 35 | 2 | 300 | 42 | 50 | 1.8 | |
| FG-50 | 50 | 2 | 350 | 46 | 50 | 2.4 | |
| FG-70 | 70 | 1 | 400 | 56 | 60 | 4.2 | |
| FG-100 | 1000 | 1 | 500 | 62 | 85 | 5.9 | |




