Overview
Grading Ring for Insulator
Grading ring is also used on high voltage equipment. Grading rings are similar to corona rings, but they encircles insulators rather than conductors. Although they may also serve to suppress corona, their main purpose is to reduce the potential gradient along the insulator, preventing premature electrical breakdown.
The potential gradient (electric field) across an insulator is not uniform, but is highest at the end next to the high voltage electrode. If subjected to a high enough voltage, the insulator will break down and become conductive at that end first. Once a section of insulator at the end has electrically broken down and become conductive, the full voltage is applied across the remaining length, so the breakdown will quickly progress from the high voltage end to the other, and a flashover arc will start. Therefore, insulators can stand significantly higher voltages if the potential gradient at the high voltage end is reduced.
The grading ring surrounds the end of the insulator next to the high voltage conductor. It reduces the gradient at the end, resulting in a more even voltage gradient along the insulator, allowing a shorter, cheaper insulator to be used for a given voltage. Grading rings also reduce aging and deterioration of the insulator that can occur at the HV end due to the high electric field there.
FJH Grading Ring for Insulator
FJP Grading Ring for Insulator
FJPE Shielding Corona Ring
A corona ring, also called an anti-corona ring, is a toroid of conductive material, usually metal, which is attached to a terminal of high voltage equipment. The role of the corona ring is to distribute the electric field gradient and lower its maximum values below the corona threshold, preventing corona discharge. Corona rings are used on very high voltage power transmission insulators and switchgear, and on scientific research apparatus that generates high voltages.
Corona discharge is an ionization of air adjacent to high voltage conductors. It is sometimes visible as a dim blue glow in the air next to high voltage equipment. The high electric field ionizes the air, allowing current to leak from the conductor into the air. In electric power transmission lines and equipment, corona results in an economically significant waste of power. In devices such as electrostatic generators, marx generators, and television sets, the current load caused by corona leakage can reduce the voltage produced by the device, causing it to malfunction. Coronas also produce noxious and corrosive ozone gas, which can cause aging and embrittlement of nearby structures such as insulators, and create a health hazard for workers and local residents. For these reasons corona discharge is considered undesirable in most electrical equipment.
Grading Ring for Insulator
Grading ring is also used on high voltage equipment. Grading rings are similar to corona rings, but they encircles insulators rather than conductors. Although they may also serve to suppress corona, their main purpose is to reduce the potential gradient along the insulator, preventing premature electrical breakdown.
The potential gradient (electric field) across an insulator is not uniform, but is highest at the end next to the high voltage electrode. If subjected to a high enough voltage, the insulator will break down and become conductive at that end first. Once a section of insulator at the end has electrically broken down and become conductive, the full voltage is applied across the remaining length, so the breakdown will quickly progress from the high voltage end to the other, and a flashover arc will start. Therefore, insulators can stand significantly higher voltages if the potential gradient at the high voltage end is reduced.
The grading ring surrounds the end of the insulator next to the high voltage conductor. It reduces the gradient at the end, resulting in a more even voltage gradient along the insulator, allowing a shorter, cheaper insulator to be used for a given voltage. Grading rings also reduce aging and deterioration of the insulator that can occur at the HV end due to the high electric field there.
FJH Grading Ring for Insulator


| Type | Dimension (mm) | Weight (kg) | ||
| L | Φ | |||
|
FJH-500 | 400 | Φ44 | 1.5 |
| FJH-330 | 330 | Φ44 | 1 | |
| FJH-220 | 260 | Φ44(Φ26) | 0.75 | |
| FJH-110 | 250 | Φ44(Φ26) | 0.6 | |
| FJH-35 | 200 | Φ44(Φ26) | 0.6 | |
| FJH-500KL | 400 | Φ44(Φ26) | 1.4 | |
| FJH-330KL | 330 | Φ44(Φ26) | 0.95 | |
| FJH-220KL | 260 | Φ44(Φ26) | 0.7 | |
| FJH-110KL | 250 | Φ44(Φ26) | 0.55 | |
FJP Grading Ring for Insulator


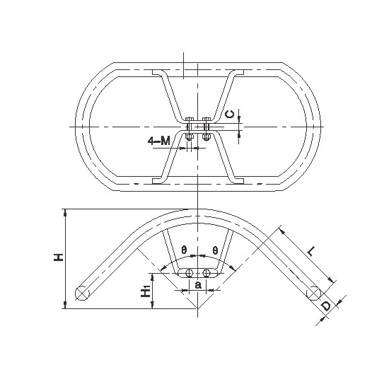
| Type | Main Dimensions(mm) | Weight(kg) | ||||||||
| L | H | H1 | D | M | C | A | θ | |||
|
FJP-500XV-95 | 300 | 557 | 164 | 60 | 16 | 20 | 80 | 47.5° | 6.8 |
| LJ2-500XV-55 | 300 | 548 | 78 | 60 | 16 | 24 | 80 | 55° | 7.6 | |
| LJ2-500XV-54 | 400 | 532 | 108 | 60 | 16 | 27 | 80 | 54° | 8.2 | |
| LJ2-500XV-50 | 300 | 577 | 109 | 60 | 16 | 24 | 80 | 50° | 8 | |
| LJ2-500XV-45 | 300 | 608 | 145 | 60 | 16 | 24 | 80 | 45° | 7.2 | |
| Note:The main body is aluminum, and the rest are hot-dip galvanized steel parts. | ||||||||||
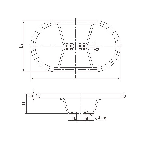
| Type | Main Dimensions(mm) | Weight(kg) | ||||||||
| L1 | L2 | H | H1 | a | D | θ | C | |||
|
JP-300-N | 352 | 652 | 392 | 120 | 80 | 32 | 18 | 24 | 5.2 |
| J-330N | 320 | 702 | 176 | 136 | 80 | 32 | 18 | 24 | 5 | |
| JP-330-NL | 270 | 650 | 392 | 120 | 80 | 32 | 18 | 24 | 2.5 | |
| Note:The main body is aluminum, and the rest are hot-dip galvanized steel parts. | ||||||||||
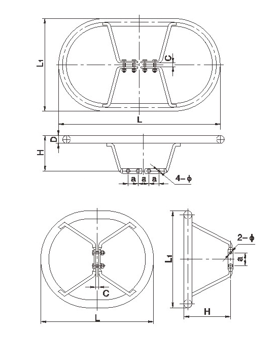
| Type | Main Dimensions(mm) | Weight(kg) | |||||||
| L | L1 | H | D | θ | C | a | |||
![]() |
JL-500XS | 1050 | 600 | 230 | 50 | 18 | 24 | 60 | 6.2 |
| LJ2-500XS | 1050 | 600 | 230 | 50 | 18 | 22 | 60 | ||
| FJ-500XS/GH | 1050 | 600 | 230 | 60 | 14 | 22 | 60 | 14.3 | |
| FJ-500XS/GHE | 1150 | 600 | 270 | 60 | 18 | 24 | 60 | 6.8 | |
| FJP-500XSL | 1200 | 600 | 230 | 50 | 18 | 20 | 60 | 7.3 | |
| FJ-500XSL1 | 1200 | 600 | 230 | 50 | 18 | 22 | 60 | ||
| FJ-500XSL2 | 1280 | 680 | 260 | 50 | 18 | 28 | 60 | 7.8 | |
| FJ-500XSL3 | 1280 | 680 | 285 | 50 | 18 | 24 | 60 | 8 | |
| LJ2-500XS/G | 1150 | 600 | 230 | 60 | 18 | 24 | 60 | 6.8 | |
| Type | Diagram | Main Dimensions(mm) | Weight(kg) | |||||||
| L | L1 | H | D | θ | C | a | ||||
|
FJP-330XS | 1 | 900 | 600 | 231 | 32 | 14 | 22 | 120 | 10.6 |
| FJP-330XD | 2 | 700 | 600 | 275 | 32 | 18 | 20 | 80 | 9.6 | |
| Hot-dip galvanized steel parts | ||||||||||
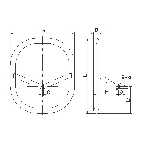
| Type | Main Dimensions(mm) | Weight(kg) | |||||||
| L | L1 | L2 | H | D | θ | C | |||
![]() |
PV-330 | 815 | 300 | 390 | 130 | 32 | 18 | 22 | 4.8 |
| Hot-dip galvanized steel parts | |||||||||
| Type | Main Dimensions(mm) | Weight(kg) | |||||||
| L | L1 | L2 | L3 | D | θ | C | |||
![]() |
P-330X | 800 | 700 | 380 | 280 | 32 | 18 | 18 | 5.48 |
| P-330XL | 800 | 700 | 380 | 280 | 32 | 18 | 18 | 2.7 | |
| The main body is aluminum or hot-dip galvanized steel | |||||||||
| Type | Main Dimensions(mm) | Weight(kg) | ||||||||
| L | L1 | L2 | H | H1 | D | θ | C | |||
|
JP-330-X | 800 | 270 | 350 | 220 | 145 | 32 | 18 | 18 | 4.2 |
| FJP-330-NB | 800 | 320 | 380 | 392 | 150 | 32 | 18 | 16 | 4.8 | |
| JP-330-XL800 | 800 | 270 | 350 | 220 | 145 | 32 | 18 | 18 | 2.1 | |
| The main body is aluminum or hot-dip galvanized steel | ||||||||||
FJPE Shielding Corona Ring
A corona ring, also called an anti-corona ring, is a toroid of conductive material, usually metal, which is attached to a terminal of high voltage equipment. The role of the corona ring is to distribute the electric field gradient and lower its maximum values below the corona threshold, preventing corona discharge. Corona rings are used on very high voltage power transmission insulators and switchgear, and on scientific research apparatus that generates high voltages.
Corona discharge is an ionization of air adjacent to high voltage conductors. It is sometimes visible as a dim blue glow in the air next to high voltage equipment. The high electric field ionizes the air, allowing current to leak from the conductor into the air. In electric power transmission lines and equipment, corona results in an economically significant waste of power. In devices such as electrostatic generators, marx generators, and television sets, the current load caused by corona leakage can reduce the voltage produced by the device, causing it to malfunction. Coronas also produce noxious and corrosive ozone gas, which can cause aging and embrittlement of nearby structures such as insulators, and create a health hazard for workers and local residents. For these reasons corona discharge is considered undesirable in most electrical equipment.


| Type | Dimension (mm) | Weight (kg) | ||||||
| L | L1 | D | S | H | Φ | |||
|
FJPE-50/1800/300 | 1800 | 900 | 18 | 60 | 300 | 50 | 9.5 |
| FJPE-50/1800/325 | 1800 | 900 | 18 | 60 | 325 | 50 | 9.5 | |
| FJPE-50/1800/350 | 1800 | 900 | 18 | 60 | 350 | 50 | 9.5 | |
| FJPE-50/1800/375 | 1800 | 900 | 18 | 60 | 375 | 50 | 9.5 | |
| FJPE-50/1900/300 | 1900 | 900 | 18 | 60 | 300 | 50 | 9.5 | |
| FJPE-50/1900/325 | 1900 | 900 | 18 | 60 | 325 | 50 | 9.5 | |
| FJPE-50/1900/350 | 1900 | 900 | 18 | 60 | 350 | 50 | 9.5 | |
| FJPE-50/1900/375 | 1900 | 900 | 18 | 60 | 375 | 50 | 9.5 | |
| Type | Dimension (mm) | Weight (kg) | |||||||
| L | L1 | H | D | Φ | a | b | |||
|
JPL-500N | 1450 | 900 | 330 | 50 | 18 | 60 | 60 | 9.3 |
| FJP-500ND | 1670 | 900 | 405 | 50 | 18 | 60 | 60 | 10.5 | |
| FJP-500N/GH | 1450 | 920 | 330 | 60 | 18 | 60 | 60 | 11.3 | |
| FP-500N/GH | 1450 | 900 | 330 | 60 | 18 | 60 | 60 | 10.7 | |
| Note:The main body is aluminum, and the rest are hot-dip galvanized steel parts. | |||||||||
| Type | Dimension (mm) | Weight (kg) | ||||||||
| L | L1 | L2 | H | D | Φ | C | a | |||
|
PLJ-500K | 700 | 600 | 250 | 235 | 50 | 18 | 20 | 60 | 3.9 |
| PLJ-500X | 700 | 600 | 270 | 235 | 50 | 18 | 20 | 60 | 4.4 | |
| PPLJ-500K | 700 | 600 | 270 | 235 | 50 | 18 | 20 | 60 | 4.6 | |
| Note:The main body is aluminum, and the rest are hot-dip galvanized steel parts. | ||||||||||
| Type | Dimension (mm) | Weight (kg) | |||||||
| L | L1 | H | D | M | C | a | |||
|
FJP-500XDA | 800 | 700 | 320 | 50 | 16 | 20 | 80 | 6.2 |
| JL-500XD | 700 | 600 | 290 | 50 | 16 | 20 | 80 | 4.33 | |
| FJP-500XD1L | 700 | 600 | 270 | 50 | 12 | 20 | 45 | 4.2 | |
| FJ-500XD/GH | 700 | 600 | 290 | 60 | 12 | 20 | 80 | 9.85 | |
| Note:The main body is aluminum, and the rest are hot-dip galvanized steel parts. | |||||||||






